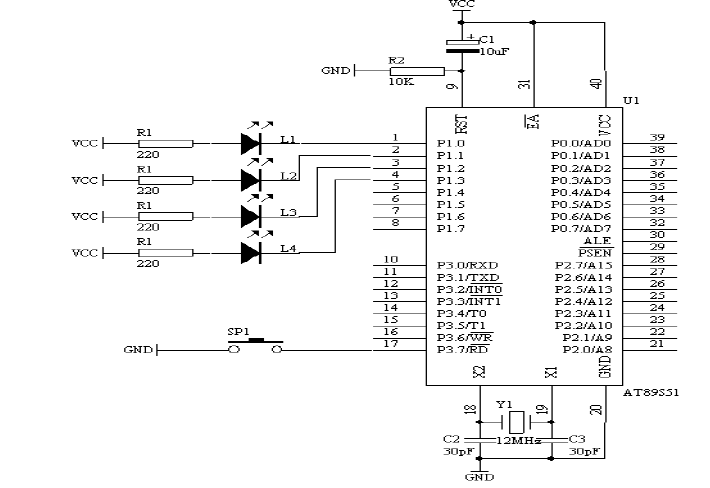
本设计主要介绍51单片机设计实例之:按键识别方法,此次设计的实验任务为:每按下一次开关SP1,计数值加1,通过AT89S51 单片机的P1 端口的P1.0 到P1.3 显示出其的二进制计数值。其电路原理图如下所示:
基于51单片机的触摸调光LED台灯设计-原理图讲解
基于51单片机指纹密码锁毕业设计
自制的六轴机械手视频
基于Arduino与LabVIEW的温度监测系统设计
单片机音乐喷泉设计/音乐频谱彩灯设计/DIY电子制作
牛人自制空调半导体制冷空调内机
单片机课程设计proteus仿真抢答器
国外牛人做的带机枪的四轴,最后自杀摧毁目标
Cocktail
x