AT89C51单片机中文数据表及各类封装形式大全.zip
时间:05-05 14:17
查看:2330次
下载:162次
简介:
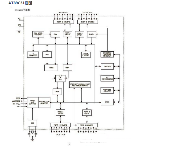
AT89C51是美国ATMEL公司生产的低功耗,高性能CMOS8位单片机,带4K字节FLASH存储器(FPEROM—Flash Programmable and Erasable Read Only Memory)的低电压、高性能CMOS 8位微处理器,俗称单片机。AT89C2051是一种带2K字节闪存可编程可擦除只读存储器的单片机。单片机的可擦除只读存储器可以反复擦除1000次。该器件采用ATMEL高密度非易失存储器制造技术制造,与工业标准的MCS-51指令集和输出管脚相兼容。由于将多功能8位CPU和闪烁存储器组合在单个芯片中,ATMEL的AT89C51是一种高效微控制器,AT89C2051是它的一种精简版本。AT89C51单片机为很多嵌入式控制系统提供了一种灵活性高且价廉的方案。外形及引脚排列如图所示

