
STSPIN8XX系列:
更平滑更精准更快速的步进控制
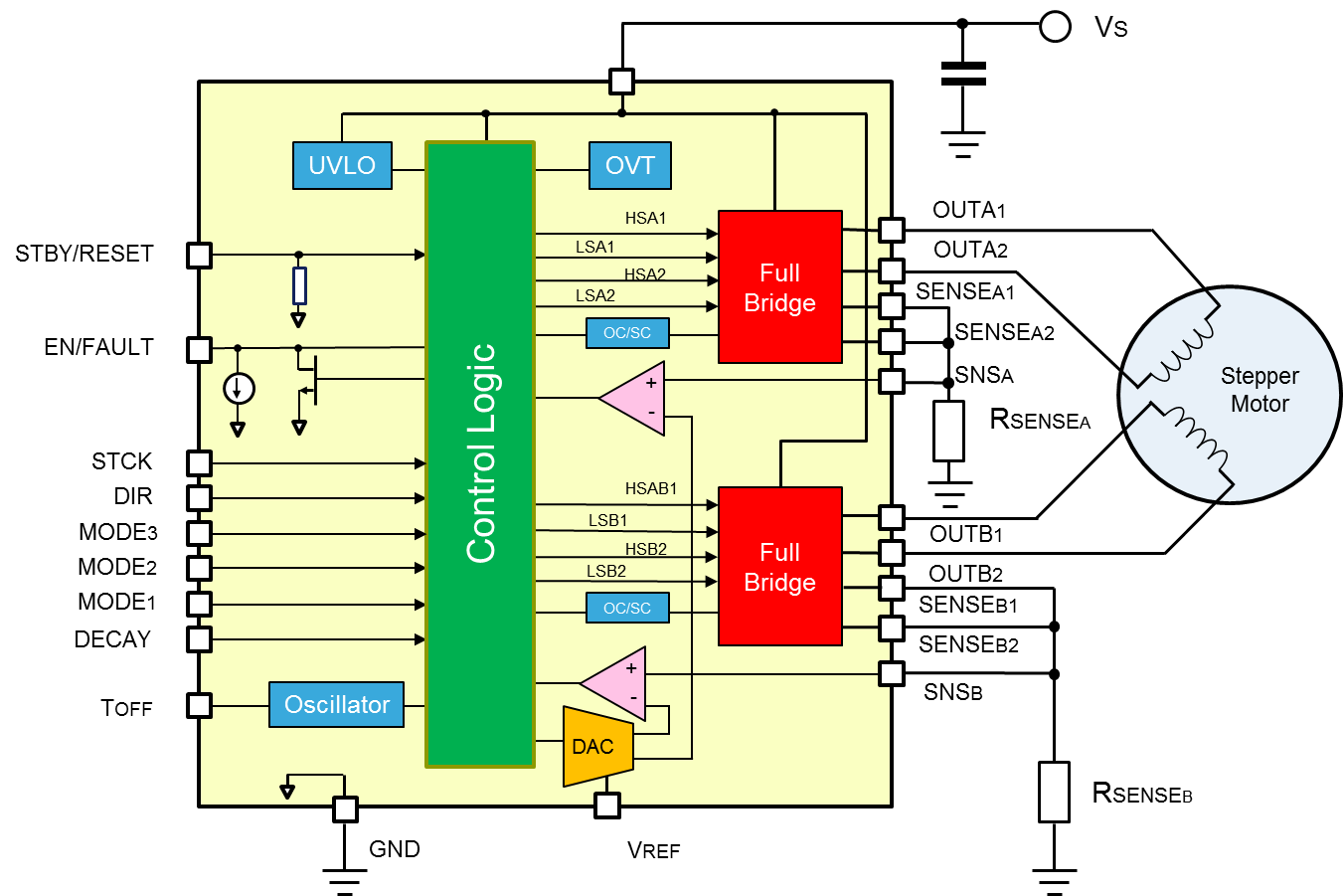
STSPIN8XX系列是ST新推出的低压马达驱动系列,全新的工艺,更好的性价比。其中的步进驱动STSPIN820性能尤为亮眼,Speedy公司推出的行业领先的高速静音3D打印机搭载的就是8颗STSPIN820。更平滑更精准更快速的步进控制,你值得拥有。
产品优点
1. 电压范围 7~45V
2. 平均驱动电流 1.5A,峰值电流2.5A, Rds(on) = 500mΩ
3. RDSon HS + LS = 1 Ω typ.
4. 极低的待机功耗,45μA
5. 先进的电流控制功能,高达256细分,驱动更精准顺滑
6. 可靠的欠压,过流,过温全套保护
7. 4*4 mm QFN极轻极小封装
应用范围
1. 3D 打印机
2. 安防监控镜头
3. 工业机器人
4. 舞台灯
5. 纺织机
6. 镭射切割机




