电路设计
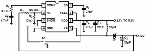
 一般白光LED的电流在20mA 左右,但高亮度的LED需要200~300mA 电流。如果产品需要用三至四颗高亮度的白光LED,为了亮度平均,一般的做法都是把它们串连接在一起。市场上绝大部分的白光LED驱动芯片都只能驱动20mA左右。碰上串联大电流LED的应用便要另想办法。 Intersil 的EL7516是一颗典型的升压芯片,此芯片工作于1.2MHz 定频PWM模式,内置1.5A,200mΩ MOSFET。 图1示出EL7516的典型应用电路。通过DC-DC升压作用,EL7516将2.7~5.5V输入转化成12V的恒定电压。跟一般PWM控制芯片一样,FB引脚是接到与1.3V比较的误差放大器。通过选定R1, R2的电阻值来设置输出电压。

图1 EL7516的升压应用电路
 将EL7516的恒压电路改成驱动LED的恒流电路是非常简单的。如图2所示,只要将在FB端的R1换成LED,改变R2就可以调节通过LED的电流。可从下式选定R2值:R2=VFB/Iled其中VFB是FB引脚的电压,即1.3V;Iled是通过LED的电流。

图2 标准的LED驱动电路
 若Iled的要求为300mA,那么R2需要4.3W,如图3所示。

图3 EL7516用于驱动4个高亮度白光LED
 关于图3的电路,最大的缺点在于R2的损耗。R2通过300mA时,电阻的功耗接近0.39W。这样大的功耗不但影响效率,也须要用体积比较大的电阻,才能接受0.39W的热量。一般来说,这些应用都是电池供电的,效率及线路PCB空间要求都比较严格,现在让我们看看怎样提高此线路的效率。
 图4示出改善电路。比较图3, 图4增加了两个元件—R3及D1。无论电路怎样改动,EL7516都会调节占空比使到FB的电压维持1.3V。假设D1的正向导通压降是0.6V,R2的压降便约0.7V。要保持300mA LED电流,R2可选用2.3Ω。而R2的功耗亦从原来的0.39W降至0.21W。虽然功耗已降低,但R2也得用半瓦电阻来实现这种电路。

图4 改善线路一
 图5示出了进一步的改善方法。一个廉价的TL431加进电路里作为2.5V的基准源。如前所述,EL7516会保持FB在1.3V;所以通过R4的电流是: (2.5-1.3)/20k=60mA。 因FB是一高阻抗引脚,我们假设这60mA全数流入R5而做成同样1.2V压降。剩下的0.1V,会由R2来完成。为了方便购买,我们把R2选定为0.39Ω。所以通过LED的电流约为: 0.1/0.39 = 255mA。R2的功耗亦大幅降低至: 0.1×0.255 = 26mW。

图5 改善线路二
 通过实验,我们得出图3与图5的效率比较结果(表1)。
结语
 从以上实验可以见到,只要在电路上稍作改动,可大大提高高电流LED的工作效率。实验中,我们用5V输入。实际的应用很可能是单个锂电池供电。EL7516最低工作电压为2.3V,所以适用于单个锂电池供电。但EL7516内置MOSFET有峰值电流(1.3A min)保护,如锂电池电压掉到3V以下,驱动四颗LED有可能触发电流保护。如须要在3V以下工作,最好把输出减少为三颗LED。
参考文献:
1. Intersil EL7516 datasheet
2. Luxpia LUXPHERION LL1.0 High Power LED datasheet