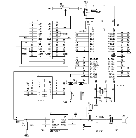
课设毕设>控制类> 资料下载 > 51单片机实例7-两点间温度控制.pdf

已有0条评论

暂时还没有评论哟,快来抢沙发吧

添加一条评论

只有登录用户才能评论,请先登录注册哦!

资料创建人

Dabing
Dabing(总统)
金币:43316个|学分:43619个

最新下载成员

    还没人第一个吃螃蟹啊,快来下载吧

相关计划» 更多

    暂无相关计划
立即注册
畅学电子网,带你进入电子开发学习世界
专业电子工程技术学习交流社区,加入畅学一起充电加油吧!

x

畅学电子网订阅号